PRODUCTS作業工具
ブラインドリベット PLタイプ(柔軟母材対応)

用途
- ●母材と部材の締結に
特徴
- ●スリーブが4方向に大きく開く事でベニヤ板や樹脂、ゴムなどの柔軟母材をしっかり保持しながら締結します。
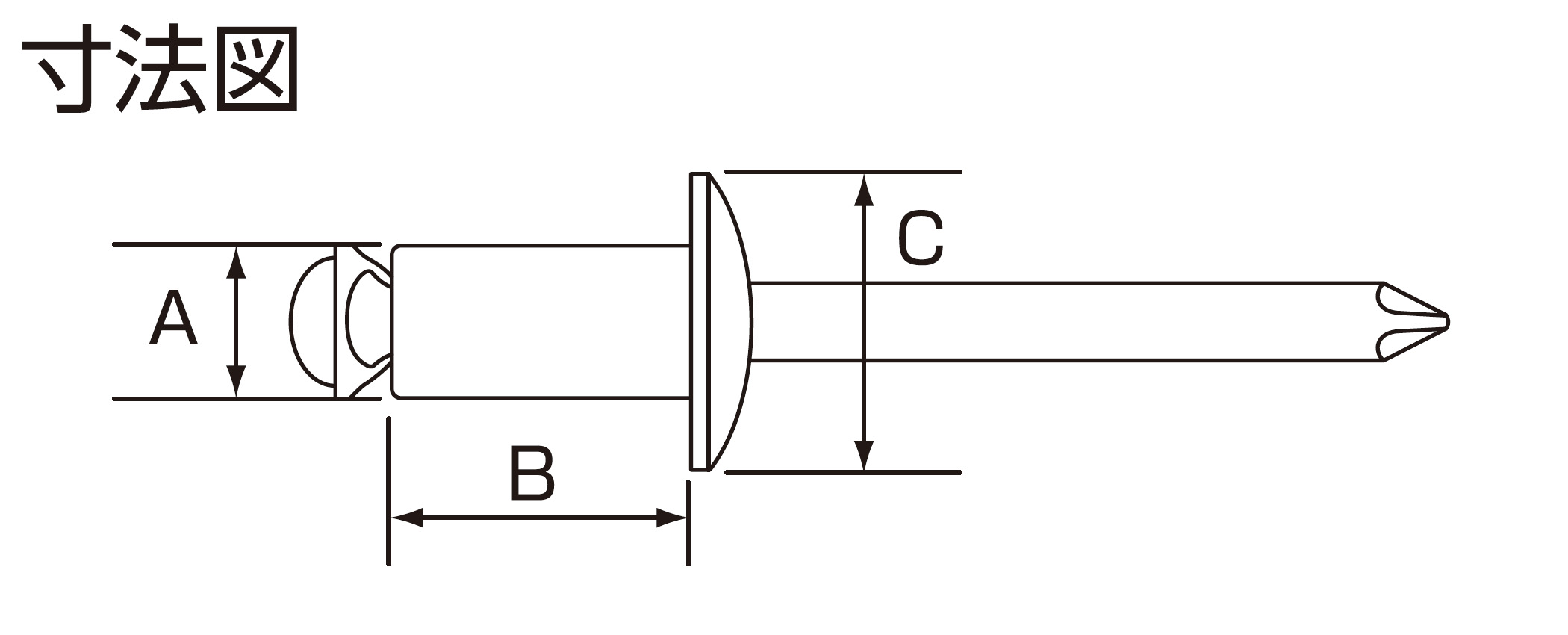
仕様
材質
- ●スリーブ:アルミニウム合金
- ●シャフト:ハイカーボンスチール
※この表は掴んで左右にスクロール可能です。
| 商品コード | 品番 | 入数(本) | 締付可能厚(mm) | 下穴寸法(mm) | サイズ(mm) | 本体質量 | 本体幅 | 本体高さ | 本体奥行 | 標準小売価格 | JANコード |
|---|---|---|---|---|---|---|---|---|---|---|---|
| 00505261 | DAS43PL | 20 | 1.0-4.5 | 3.4-3.5 | A3.2、B8.1、C6.4 | 1g | 6.4mm | 42mm | 6.4mm | 600 円 | 4975846735101 |
| 00505262 | DAS44PL | 20 | 4.5-6.0 | 3.4-3.5 | A3.2、B9.7、C6.4 | 1g | 6.4mm | 42mm | 6.4mm | 600 円 | 4975846735118 |
| 00505263 | DAS53PL | 20 | 1.2-4.5 | 4.2-4.3 | A4.0、B8.9、C8.0 | 2g | 8mm | 47mm | 8mm | 600 円 | 4975846735125 |
| 00505264 | DAS56PL | 20 | 6.1-9.3 | 4.2-4.3 | A4.0、B13.7、C8.0 | 2g | 8mm | 47mm | 8mm | 600 円 | 4975846735132 |
| 00505265 | DAS58PL | 20 | 9.3-12.5 | 4.2-4.3 | A4.0、B16.9、C8.0 | 2g | 8mm | 52mm | 8mm | 600 円 | 4975846735149 |
| 00505266 | DAS64PL | 20 | 4.6-6.1 | 5.0-5.1 | A4.8、B11.3、C9.5 | 3g | 9.5mm | 48mm | 9.5mm | 600 円 | 4975846735156 |
| 00505267 | DAS66PL | 20 | 6.1-9.2 | 5.0-5.1 | A4.8、B14.5、C9.5 | 3g | 9.5mm | 53mm | 9.5mm | 600 円 | 4975846735163 |
| 00505268 | DAS68PL | 20 | 9.2-12.3 | 5.0-5.1 | A4.8、B17.7、C9.5 | 3g | 9.5mm | 58mm | 9.5mm | 600 円 | 4975846735170 |
※この表は掴んで左右にスクロール可能です。


