PRODUCTS作業工具
※この表は掴んで左右にスクロール可能です。
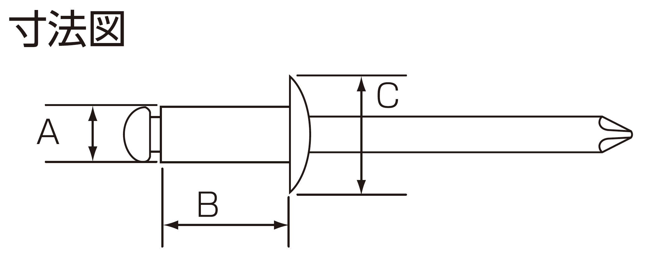
| 商品コード | 品番 | 入数 (本) | 締付可能厚 (mm) | 下穴寸法 (mm) | サイズ (mm) | 本体質量 | 本体幅 | 本体高さ | 本体奥行 | 標準小売価格 | JANコード |
|---|---|---|---|---|---|---|---|---|---|---|---|
| 00505291 | DAA42 | 20 | 1.6-3.2 | 3.3-3.4 | A3.2、B6.0、C6.4 | 1g | 6.4mm | 41mm | 6.4mm | 600 円 | 4975846735309 |
| 00505292 | DAA43 | 20 | 3.2-4.8 | 3.3-3.4 | A3.2、B7.6、C6.4 | 1g | 6.4mm | 41mm | 6.4mm | 600 円 | 4975846735316 |
| 00505293 | DAA54 | 20 | 4.8-6.4 | 4.1-4.2 | A4.0、B9.7、C8.0 | 1g | 8mm | 43mm | 8mm | 600 円 | 4975846735323 |
| 00505294 | DAA64 | 20 | 3.2-6.4 | 4.9-5.0 | A4.8、B10.3、C9.5 | 2g | 9.5mm | 49mm | 9.5mm | 700 円 | 4975846735330 |
※この表は掴んで左右にスクロール可能です。
