PRODUCTS溶接ゲージ

ステルスポイントリーダー  SPR-S

  

用途

  • ●溶接された角からの長さ測定に

特徴

  • ●専用アプリ(無料)の使用で基準点から溶接点までの距離が簡単に測定できます。
  • ●収納に便利なビニールケース付です。

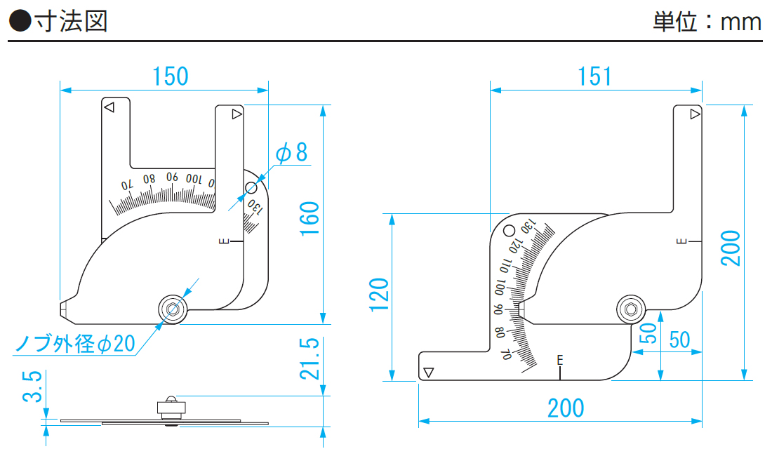
仕様

  • ●使用範囲交点角度(°):60-135
  • ●角度測定精度(°):±0.5
  • ●基準点から溶接点距離の精度(mm):±0.7(85°以上)、±1.1(85°未満)
  • ●対応OS:iPhone(iOS10.0以降)、Android(Android4.4以降)

材質

  • ●本体:ステンレス

付属品

  • ●ビニールケース
※この表は掴んで左右にスクロール可能です。
商品コード 品番 本体質量 本体幅 本体高さ 本体奥行 標準小売価格 JANコード
00007572 SPR-S 270g 200mm 200mm 21.5mm 22,000 円 4975846008045
※この表は掴んで左右にスクロール可能です。

一覧に戻る