PRODUCTS溶接ゲージ
溶接ゲージ AWG-10
用途
- ●溶接の余盛、すみ肉の大きさ測定に
特徴
- ●単機能で使いやすい溶接ゲージです。
- ●各種角度が付いているので、角度ゲージとしても使用できます。
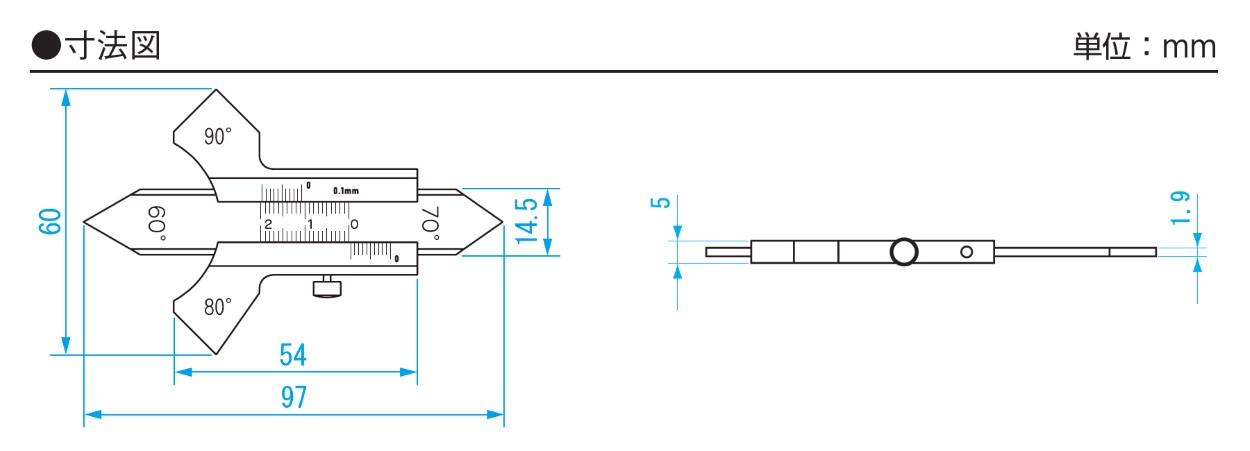
仕様
- ●長さ寸法測定精度(mm):±0.2
- ●角度測定器差(°):-
- ●隙間測定器差(mm):-
- ●のど厚測定器差(mm):±0.2
- ●本体直尺目盛(mm):-
- ●余盛高さ(mm):8
- ●すみ肉脚長(mm):-
- ●すみ肉のど厚(mm):11
- ●アンダーカット深度(mm):-
- ●ルート間隔(mm):-
- ●丸棒径(mm):-
- ●ビード幅(mm):-
- ●開先(ベベル)角度(°):60、70、80、90固定
材質
- ●本体:ステンレス
※この表は掴んで左右にスクロール可能です。
| 商品コード | 品番 | 本体質量 | 本体幅 | 本体高さ | 本体奥行 | 標準小売価格 | JANコード |
|---|---|---|---|---|---|---|---|
| 00007516 | AWG-10 | 60g | 60mm | 97mm | 5mm | 5,100 円 | 4975846008168 |
※この表は掴んで左右にスクロール可能です。


