PRODUCTSデプスゲージ
デジタルギャップキャリパ GDG-4F-J1
用途
- ●段差の測定に
特徴
- ●関節アームタイプで測定位置を自在に設定、狙った場所へ測定子を当てられます。
- ●別売のBluetoothBOXに対応、測定値をパソコンへワイヤレス送信が可能です。
- ●精度保証のため、検査時の数値を記した検査表付です。
- ●基準面の凸部も逃げられるベース形状です。
- ●ホールド機能付です。
- ●オートオフ機能付(約20分)です。
仕様
- ●タイプ:デジタル
- ●測定範囲(mm):(-13)-(+16)
- ●最小読取値(mm):0.01
- ●最大許容誤差(mm):±0.03
- ●測定子稼動範囲(mm):-
- ●ベース形状:4点支持(フラット)
- ●測定子(mm):先端SR0.5
- ●アーム:関節
- ●電源:CR2032(テスト用付属)
材質
- ●本体:ステンレス
- ●ベース:ステンレス
- ●測定子:ステンレス
付属品
- ●PCケース
- ●CR2032
※この表は掴んで左右にスクロール可能です。
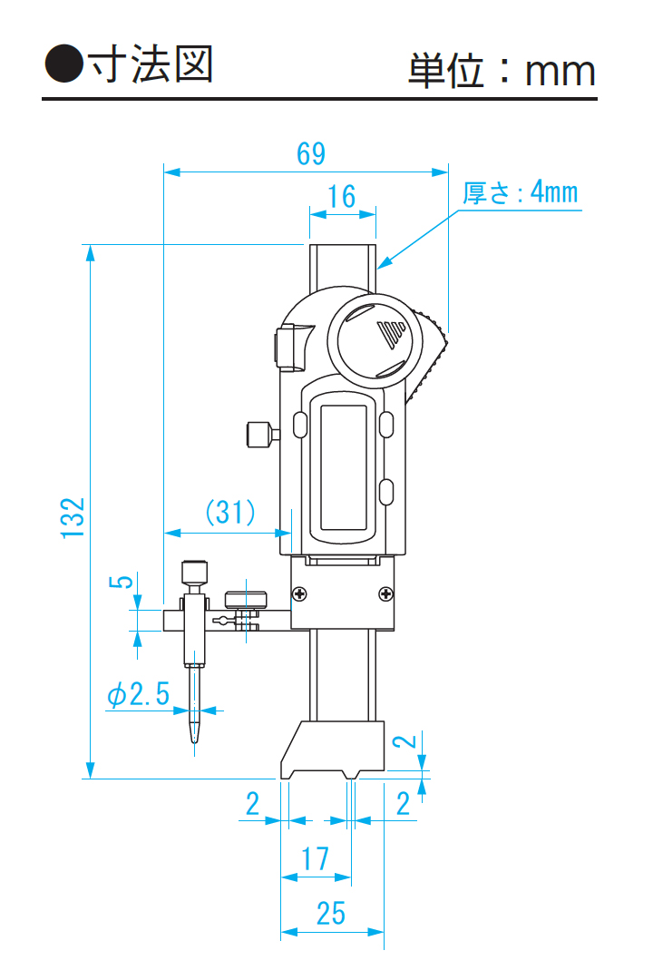
| 商品コード | 品番 | 本体質量 | 本体幅 | 本体高さ | 本体奥行 | 標準小売価格 | JANコード |
|---|---|---|---|---|---|---|---|
| 00152305 | GDG-4F-J1 | 150g | 69mm | 132mm | 18mm | 38,000 円 | 4975846041196 |
※この表は掴んで左右にスクロール可能です。
注意点
●最大許容誤差は、量子化誤差(±1カウント)含みません。



