PRODUCTSデプスゲージ
ギャップキャリパ GVG-3R-S1
用途
- ●段差の測定に
特徴
- ●お客様のご要望により3点支持(球面)ベースタイプです。
- ●段差を一発測定、可動測定子で凸部を逃げて測定できます。
- ●精度保証のため、検査時の数値を記した検査表付です。
- ●基準面の凸部も逃げられるベース形状です。
- ●携帯に便利なボールチェーン付です。
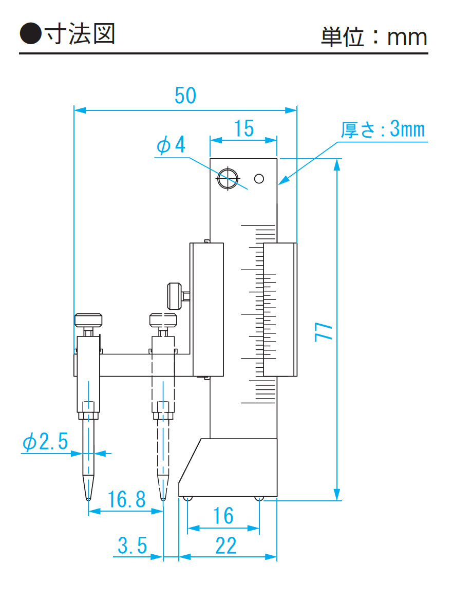
仕様
- ●タイプ:アナログ
- ●測定範囲(mm):±10
- ●最小読取値(mm):0.05
- ●最大許容誤差(mm):±0.05
- ●測定子稼動範囲(mm):16.8
- ●ベース形状:3点支持(球面)
- ●測定子(mm):先端SR0.5
- ●アーム:ストレート
材質
- ●本体:ステンレス
- ●ベース:ステンレス
- ●測定子:ステンレス
付属品
- ●PCケース
※この表は掴んで左右にスクロール可能です。
| 商品コード | 品番 | 本体質量 | 本体幅 | 本体高さ | 本体奥行 | 標準小売価格 | JANコード |
|---|---|---|---|---|---|---|---|
| 00152332 | GVG-3R-S1 | 75g | 50mm | 77mm | 9mm | 35,000 円 | 4975846041219 |
※この表は掴んで左右にスクロール可能です。



